首頁> 政治快訊
基泰1日就收異常報告未停工 議員批無作為
▲基泰建設疑因施工不當,連續壁崩坍導致鄰房塌陷。(圖/記者葉政勳攝,2023.09.11)
- 記者邱新博/台北報導 2023-09-12 09:43
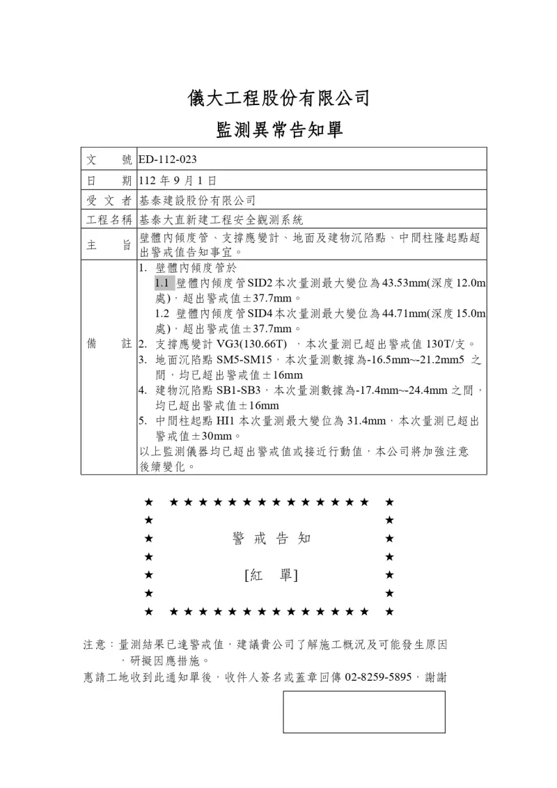
[NOWnews今日新聞] 有關基泰建設施工不慎導致的大直民宅塌陷案,台北市議員柳采葳今公布一份監測數據公司儀大在9月1日提供了「監測異常告知單」給基泰大直建案工地的張姓主任,而張姓主任也確實有收到,這也代表,基泰早就知道工地的監測數值是有問題,但還是未停工,而導致這次事件;也讓柳采葳質疑,這根本是基泰蓄意釀禍。
柳采葳表示,在儀大工程公司所提供的「監測異常報告書」當中清楚寫明多項數值都是超出警戒值,包含壁體內傾度管、支撐應變計、地面沉陷點、建物沉陷點等等,也警告基泰應該要加強注意後續變化,而在事發的9/7當天下午兩點,基泰大直新建工程自動化監測系統也顯示數值有問題,甚至發出警告聲響,不管是自動化監測系統,又或者是儀大開出的警戒告知紅單,基泰都未見任何作為,柳采葳合理懷疑,基泰根本是蓄意釀禍。
柳采葳也掌握儀大和基泰大直工地張主任的通訊軟體對話紀錄,8月開始儀大就頻繁傳監測報告給工地主任,對話紀錄當中,疑似在9/1儀大傳了一份監測報告給基泰大直,明確說這份報告「有點糟」,通了電話之後,儀大強調「我們老大說這個程序還是要走」,難道是在通話當中基泰拒絕了什麼監測,又或者是拒絕什麼程序?
通話記錄到了9/2基泰大直的工地主任突然要求「每日測量」,柳采葳指出,工地主任明顯知道工地有危險,但為什麼無作為,這些疑點,基泰建設都必須要說明清楚,勿撇清責任。
柳采葳最後表示,從報告到影片,以及對話紀錄,都可以證明基泰大直建案的主任是明確知道工地的監測數值是有問題的,基泰必須說明清楚,這份報告到底有誰看過,為什麼在明知有問題的狀況之下卻沒有停工,柳采葳呼籲基泰,不要把所有責任推給工地主任,基泰高層必須親自出面說明疑點,也要求市府應該即刻調查清楚真相,給大直受災戶一個交代。




